产品介绍PRODUCT
压铸机
注塑机
挤压机
立磨
AFC
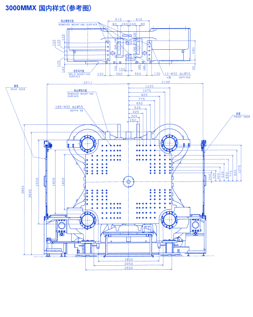
| 型号 | 単位 | 3000MMX | |||
|---|---|---|---|---|---|
| 470 | 740 | ||||
| 注 射 |
螺杆 | mm | 150 | 175 | |
| 理论注射容量 | cm3 | 13,200 | 21,000 | ||
| 注射质量 | 聚苯乙烯(PS) | g | 12,100 | 19,300 | |
| 聚乙烯(PE) | 9,770 | 15,500 | |||
| 射出圧力 | MPa (kgf/cm2) |
177 (1,800) |
161 (1,640) |
||
| 注射速度 | mm/sec | 76 | 66 | ||
| 注射率 | cm3/sec | 1,350 | 1,595 | ||
| 塑化能力(PS) | kg/hr | 750 | 805 | ||
| 螺杆回转速度 | rpm | 110 | 87 | ||
| 合 模 |
合模力 | kN (tf) |
29,419 (3,000) |
||
| 开模力 | 2,353 (240) |
||||
| 合模速度(高速) | m/min | 45 | |||
| 开模速度(高速) | |||||
| 模具尺寸(H×V) | mm | 2,550×2,500 | |||
| 拉杆间隙(H×V) | 2,050×1,900 | ||||
| 合模行程 | 3,200 | ||||
| 最大间距 | 4,200 | ||||
| 模具厚度 | 1000~1,900 | ||||
| 顶出器 | 顶出力 | kN (tf) |
490(50) | ||
| 行程 | mm | 400 | |||
| 一 般 |
油泵用电机 | kW | 200 | 223 | |
| 加热器容量(380V/50Hz) | 84.8 | 111.7 | |||
| 作动油容量(油箱内) | L | 3,700 [2,630] |
4,400 [3,230] |
||
| 机械尺寸 | L | m | 15.8 | TBD | |
| W | 4.8 | ||||
| H | 3.9 | ||||
| 机械质量 | ton | 153 | TBD | ||
注)
1.本表的数値如遇变更,恕不另行通知。
2.本表的数値为60Hz,50Hz共通。(加热器的电气容量除外)
3.注射重量,注射率,可塑化能力会由于使用的树脂,成形条件的不同而发生变化。如需使用最大能力的话,还请和敝公司商谈。
4.TBD : 未定

咨询电话号码
宇部兴产机械(上海)有限公司
中国上海市浦东外高桥保税区富特北路91号
Copyright?2015 Ubekousan inc.,japan All Rights Reserved 沪ICP备05026110号-1